| PROBLÉMY LOMOVÉ MECHANIKY VI. | BRNO, ČERVEN 2006 |
1Petr Frantík, Ing., Ph.D., Vysoké učení technické v Brně, Fakulta stavební, Ústav stavební mechaniky, Veveří 331/95, 602 00 Brno, e-mail: kitnarf at centrum dot cz
Abstrakt: Příspěvek se zabývá modelováním lomového experimentu - tříbodového ohybu trámce se zářezem - pomocí dynamické simulace. Cílem bylo vystižení procesu katastrofické ztráty stability při zatěžovaní vnuceným posunem.
Díky lomovým experimentům se dovídáme více o vlastnostech a způsobu porušování materiálů a konstrukčních prvků. Kromě potřebných parametrů, jakými jsou tuhost či únosnost, nás zajímá lomová práce. Lomovou prací rozumíme přetvárnou práci, kterou je třeba vykonat, aby byl materiál resp. konstrukční prvek zcela porušen. Jedním ze způsobů jak se celková přetvárná práce měří, je kvazistatické zatěžování vnuceným posunem (tzv. displacement-controlled loading). Zaznamenává se aktuální posunutí a zatížení. Díky zatěžování vnuceným posunem je možno naměřit i sestupné větve zatěžovacího diagramu a stanovit tak složku přetvárné práce konané po překročení únosnosti.
Zatěžování vnuceným posunem ovšem klade náročné požadavky na vlastnosti zatěžovací soupravy - lisu. Má-li zatěžování probíhat stabilně, je zapotřebí, aby lis absorboval co nejméně deformační energie, tj. musí mít dostatečnou tuhost. V případě, že lis není dostatečně tuhý, pak dochází ke kvalitativní změně zatěžovací dráhy nazývané snapback, viz např. [Bažant & Cedolin 1991]. Zatěžovací dráha se vlivem nízké tuhosti lisu deformuje a vzniká záhyb, viz obr. 1. Záhyb je v terminologii teorie katastrof [Arnold 1983] typická kubická singularita.
Obrázek 1: Vznik snapback efektu; up je posuv příčníku lisu, uv je posuv na testovaném vzorku
Záhyb v zatěžovací dráze způsobí katastrofickou ztrátu stability, která bývá označována jako snapdown [Bažant & Cedolin 1991]. Dochází ke skoku v zatěžování a určitá část teoretické zatěžovací dráhy není naměřena, viz obr 2.
Obrázek 2: Katastrofický průběh zatěžování (efekt snapdown)
K záhybu v zatěžovací dráze dochází tehdy, je-li podkročena kritická hodnota tuhosti lisu, označme ji kz,cr pro kterou platí:
![]() | (1) |
kde Fz je kontaktní síla mezi hlavou lisu a vzorkem a uv je posunutí vzorku. Podmínku vzniku záhybu na zatěžovací dráze tak můžeme psát ve tvaru:
![]() | (2) |
kde kz je tuhost lisu. Slovně řečeno: pro vznik záhybu je nutné, aby tuhost lisu byla nižší, než záporně vzatá derivace na sestupné větvi teoretické zatěžovací dráhy vzorku.
V příspěvku se budeme věnovat modelování jevu snapdown pomocí dynamické simulace pro zjištění vlivu vlastností lisu a testovaného vzorku na průběh zatěžování. Jedná se konkrétně o lomový experiment na tříbodovém ohybu trámce se zářezem vyrobeného z cementového kompozitu. Cílem bylo nalézt doporučení pro vyhodnocení lomových experimentů se snapdown efektem.
1 Model
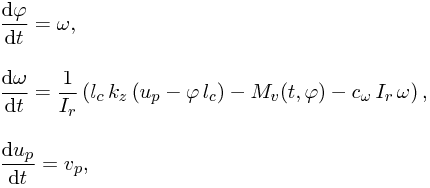
Trámec se zářezem je pro účely simulace nahrazen modelem s jedním stupněm volnosti, který vznikl rozšířením statického modelu [Frantík 2004]. Je uvažována symetrická polovina trámce nahrazená tuhou deskou připojenou kloubem a tahovými vlákny, viz obr. 3. Vliv tuhosti lisu je vzat pouze lineární pružinou s tuhostí kz. Stav modelu v čase t je jednoznačně určen pootočením desky
(t), úhlovou rychlostí
(t) a posunutím příčníku lisu up(t). Geometrie modelu je dána polovinou délky trámce lr, polovinou rozpětí trámce lc, výškou trámce tr a účinnou výškou průřezu v místě zářezu lc.
Obrázek 3: Model trámce se zářezem včetně pružiny reprezentující tuhost lisu
Uvažujeme-li malá posunutí trámce, potom svislé posunutí trámce uv, měřené v místě připojení hlavy lisu (tj. průhyb trámce) lze stanovit ze vztahu (viz obr. 3):
![]() | (3) |
Sílu Fz, kterou lis působí na tuhou desku a odpovídající ohybový moment Mz vypočítáme ze vztahů:
![]() | (4) |
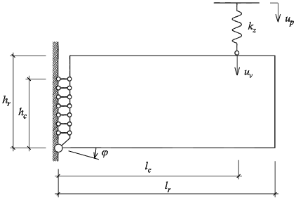
Pro sestavení pohybových rovnic dynamického systému, popisujícího model trámce s vlivem tuhosti lisu, potřebujeme rovněž vyjádřit působení tahových vláken, která nahrazují cementový kompozit v místě zářezu. Pro jednoduchost uvažujme, že v daném okamžiku t zatěžují vlákna tuhou desku ohybovým momentem Mv(t). Stanovení velikosti momentu Mv(t) bude popsáno dále. Pohybové rovnice lze tedy zapsat ve tvaru:
![]() | (5) |
kde
je koeficient lineárního viskózního útlumu, vp je rychlost posunu příčníku lisu a Ir je moment setrvačnosti tuhé desky nahrazující trámec, pro který paltí:
![]() | (6) |
kde mr je hmotnost trámce.
1.1 Vlákna
Vlákna reprezentují cementový kompozit v oblasti zářezu. Jejich vliv na pohyb tuhé desky zprostředkovává moment Mv, pro který lze psát:
![]() | (7) |
kde nv je počet vláken, Fv,i(t,
) je síla ve i-tém vláknu, působící ve vzdálenosti ri od kloubu (viz obr 3). Pro sílu Fv,i(t,
) platí:
![]() | (8) |
kde Fi(t,uv,i) je funkce napjatosti i-tého vlákna. Funkce napjatosti, která je závislá na čase z důvodu uvažování nepružného působení vlákna je zde zvolena jako bilineární, se třemi způsoby odlehčení:
Každé vlákno je dáno třemi parametry (viz obr. 4): tuhostí kincr,i, pevností Fpeak,i a velikostí celkové přetvárné práce Wi nutné pro přetržení vlákna.
Obrázek 4: Funkce napjatosti vlákna
Pro odstranění závislosti modelu na počtu vláken jsou definovány globální parametry: tuhost v tahu kt, pevnost v tahu ft a koeficient přetvárné práce cw. Pro vystižení nehomogenity průřezu je uvažována variabilita tahové pevnosti vláken po výšce průřezu (obdobně viz [Keršner et al. 2005]). Přepočet globálních parametrů na parametry vláken je dán vztahy:
![]() | (9) |
kde nf je počet bázových funkcí reprezentujících variabilitu vlastností vláken po výšce průřezu, Aj je amplituda j-té bázové funkce,
j je fázové posunutí j-té bázové funkce.
2 Aproximace experimentu
Pro ověření odezvy modelu a zjištění vlastností zatěžovací soupravy byly aproximovány výsledky dvou experimentů na trámci se zářezem. Experimenty byly provedeny lisem HECKERT FPZ 100/1 na FAST VUT v Brně Ing. Pavlem Schmidem, Ph.D. pro Ing. Ditu Matesovou, Ph.D.; Vyhodnocení jiných vzorků z téže betonové směsi lze nalézt v [Matesová & Keršner 2006]. Parametry testovaných vzorků jsou uvedeny v tab. 1.
Tabulka 1: Parametry vzorků z cementového kompozitu
Výsledkem experimentů jsou vždy dvě časové řady, snímané v intervalu
t=0.2s: časová řada svislého posuvu na trámci uv(t) a časová řada síly vyvozené lisem Fz(t). Z těchto dvou časových řad lze snadno získat zatěžovací diagram (tzv. l-d diagram) trámců, který je funkcí Fz(uv).
Naměřené l-d diagramy Fz(uv) byly užity pro aproximaci statických parametrů modelu: tahové tuhosti kt, tahové pevnosti ft, koeficientu přetvárné práce cw, amplitud bázových funkcí A1,2 a fází bázových funkcí
1,2. Aproximace byla provedena pomocí genetických algoritmů, viz např. [Cacka 2003]. Aproximované parametry modelu jsou uvedeny v tab. 2.
Tabulka 2: Aproximované statické parametry modelu pro oba vzorky
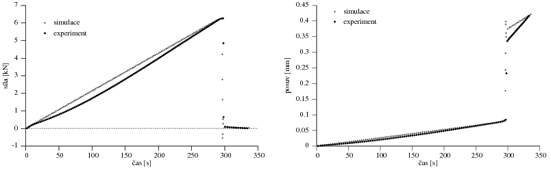
Na obr. 5 a 6 jsou vidět výsledné aproximace l-d diagramů obou vzorků včetně výsledku dynamické simulace s parametry: tuhost lisu kz = 21.5 kN.mm-1, rychlost zatěžování vz = 0.00126 mm.s-1 a koeficient útlumu
= 4.58 kN.mm.s.kg-1. Použit byl model dokonale pružného vlákna, protože nejlépe odpovídal naměřeným datům, viz dále.
Obrázek 5: Naměřený l-d diagram vzorku č. 1 včetně aproximace a výsledku dynamické simulace
Obrázek 6: Naměřený l-d diagram vzorku č. 2 včetně aproximace a výsledku dynamické simulace
Vzorek č. 1 má počáteční ohybovou tuhost 83.2 kN.mm-1 (model 81.2 kN.mm-1), což představuje téměř 3.9
vyšší tuhost než má lis. Vzorek č. 2, který má počáteční ohybovou tuhost 53.1 kN.mm-1 (model 52.8 kN.mm-1), je 2.5
tužší než lis.
Z obr. 5 a 6 je patrné, jak se projevuje katastrofický průběh zatěžování, způsobený nízkou tuhostí lisu, na naměřeném l-d diagramu. Obzvláště v případě vzorku č. 1 je vidět výrazný skok v zatěžovaní. U druhého vzorku se natolik efekt snapdown neprojevil.
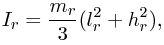
Více o průběhu zatěžování nám prozradí samotné časové řady, viz obr. 7 pro vzorek č. 1 a obr. 8 pro vzorek č. 2. Z grafů je patrné, že při zatěžování došlo v krátkém časovém úseku ke skoku naměřených hodnot, což jasně ukazuje na katastrofu. Body v bezprostředním okolí katastrofické události se tak pro vyhodnocení l-d diagramu trámců nedají použít.
Z časových řad je rovněž patrné, že rychlost zatěžování lisu (tj. rychlost posuvu příčníku vp) není konstantní. Popřípadě se v zatěžovací soustavě nachází člen, který nebyl vhodně vystižen. Tento závěr lze učinit díky následující tezi: Předpokládejme konstantní rychlost posuvu příčníku vp včetně počáteční podmínky up(0)=0. Je-li průběh sestupné větve l-d diagramů asymptotický pro uv
, s asymptotou Fz =0 kN, pak asymptota časové řady posuvu trámce uv pro t
je dána funkcí odpovídající posunu příčníku up(t) =vpt. Pohledem na grafy časových řad se můžeme přesvědčit, že ačkoliv u výsledků simulace tomu tak je, výsledky experimentů ukazují na proměnlivou rychlost zatěžování. Poznamenejme, že u vzorku č. 2 se výsledek simulace více rozchází s naměřenými časovými řadami, viz obr. 8.
Obrázek 7: Časové řady vzorku č. 1: síla v hlavě lisu Fz (vlevo), posuv trámce uv (vpravo)
Obrázek 8: Časové řady vzorku č. 2: síla v hlavě lisu Fz (vlevo), posuv trámce uv (vpravo)
3 Parametrické studie
Výsledky dynamických simulací, uvedené v předchozí kapitole, byly získány díky studiu modelu při změně parametrů lisu, parametru tlumení a typu odlehčení vláken. Ukažme si, jaký vliv mají tyto parametry na výsledek simulace.
3.1 Vliv způsobu odlehčení vláken
Odlišné modelování odlehčení vláken má u lomového experimentu s konstantním přírůstkem posuvu lisu význam pouze v případě, dochází-li k rozkmitání zatěžovaného vzorku. Při pomalém tlumeném zatěžování může vzorek rozkmitat pouze některý druh náhlé změny, jakým je v našem případě rychlý pokles tuhosti vzorku.
Na obr. 9 je vidět srovnání odezvy při odlehčení vláken typu (b) a (c) pro vzorek č. 2. Odezva modelu při způsobu odlehčení (a) - dokonale pružné, je vidět výše na obr. 6. V případě vzorku č. 1 není vliv způsobu odlehčení patrný.
Obrázek 9: Srovnání výsledků simulace vzorku č. 2 při odlišných způsobech odlehčení vláken; vlevo je odlehčení typu (b) - s nevratným protažením, vpravo je odlehčení typu (c) - se sníženým sklonem při odlehčení
3.2 Vliv útlumu
Na obr. 10 je vidět srovnání simulací vzorku č. 2 při nižší útlumu,
= 0.1 kN.mm.s.kg-1, pro typ odlehčení (a) a (b), tj. dokonale pružné odlehčení a odlehčení s poškozením. Z grafu je patrné, že dokonale pružná vlákna mají tendenci více kmitat. Důležitým aspektem kmitání vláken dokonale pružných oproti vláknům nepružným je překmitnutí přes hodnotu l-d diagramu, viz obr. 10 vlevo (srovnej s průběhem vpravo).
Obrázek 10: Srovnání výsledků simulace vzorku č. 2 při odlišných způsobech odlehčení vláken a při nižším koeficientu útlumu; vlevo je odlehčení typu (a) - dokonale pružné, vpravo je odlehčení typu (b) - s nevratným protažením
3.3 Vliv tuhosti lisu
Obr. 11 znázorňuje průběh časové řady posunu trámce uv pro různé poměry tuhosti lisu kz a počáteční tuhosti trámce. Zobrazeny jsou časové řady pro tři hodnoty poměrů tuhosti: 0.5, 1 a 2. Z hlediska snapdown efektu by bylo výstižnější vyjádřit tuhost lisu poměrem ke kritické hodnotě kz,cr, viz vztah (1). Ovšem, stanovení této hodnoty je podmíněno provedením experimentu. Proto byl zvolen poměr k počáteční tuhosti trámce, kterou je možno snadno výpočetně odhadnout, popř. experimentálně naměřit. Průběhy časových řad slouží proto pouze pro orientaci experimentátora, který odhaduje tuhost zatěžovací soupravy z naměřených časových řad.
Obrázek 11: Znázornění vlivu tuhosti lisu na průběh časové řady posunu trámce uv; Jednotlivé řady jsou odlišeny poměrem tuhosti lisu kz a počáteční tuhosti trámce
4 Závěr
V příspěvku byly prezentovány výsledky dynamické simulace lomových experimentů s konstantním přírůstkem posunu s katastrofickou ztrátou stability (snapdown efektem). Pro simulaci byl užit jednostupňový model lomu trámce při ohybu se zahrnutím vlivu tuhosti lisu pomocí přidané lineární pružiny. Simulace ukázaly, že zvolený model nepostihuje všechny efekty, které byly experimentálně naměřeny. Jeden z nesouladů je rychlost posuvu příčníku lisu, která měla být konstantní. Druhým problémem je tlumení a jeho výstižnost. Pro zlepšení jeho reprezentace bude zřejmě třeba provést dynamické měření na lisu.
Experimentálně naměřeným datům kupodivu nejlépe odpovídá spíše materiál dokonale pružný (i na sestupné větvi), než materiál nepružný. Tento závěr si rovněž zasluhuje další výzkum.
Nemůže-li se experimentátor vyhnout použití lisu a vzorku takového, že vzniká katastrofický průběh zatěžování, pak je vhodné analyzovat zejména časovou řadu posuvu vzorku. Z ní je patrné, které body byly naměřeny bez výrazných dynamických účinků. Pro vyhodnocení lomové práce může být dobrou pomůckou aproximace l-d diagramů pomocí použitého modelu.
Poděkování
Práce na příspěvku byly podporovány z prostředků projektu MŠMT 1K041111.
Chtěl bych rovněž vyjádřit poděkování kolegovi Miroslavu Vořechovskému za podnětné diskuze k tématu.
Literatura
[Arnold 1983] Arnold, V. I., 1983: Teória katastrof (orig. Teorija katastrof, vydavatelstvo Moskevské univerzity 1983), vydavateľstvo Alfa, Bratislava
[Bažant & Cedolin 1991] Bažant Z. P., Cedolin L., 1991: Stability of Structures, Elastic, Inelastic, Fracture, and Damage Theories, Oxford University Press, New York
[Cacka 2003] Cacka, P., 2003: Vícekriteriální genetické algoritmy. Diplomová práce, Ústav automatizace a informatiky FSI VUT v Brně
[Frantík 2004] Frantík, P., 2004: Jednoduchý model lomu trámce, Sborník semináře Problémy lomové mechaniky IV., ÚFM AV ČR a STM FAST VUT v Brně, p. 21–27
[Keršner et al. 2005] Keršner, Z., Frantík, P., Řoutil, L., Veselý, V., 2005: Approximation of bending fracture model by load-deflection diagrams, konference Inženýrská mechanika 2005, CD sborník, Svratka, 7 stran
[Matesová & Keršner 2006] Matesová, D., Keršner, Z., 2006: Vliv vodního součinitele a typu uložení vzorků při zrání na lomové parametry betonu, CD sborník mezinárodní konference Modelování v mechanice, FAST VŠB-TU Ostrava, 8 stran