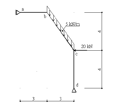
Řešte reakce a vnitřní síly na zadané konstrukci
Uvažované kladné směry reakcí
Zadejte
reakci Sdx :
normálovou sílu v bodě a, Na :
posouvající sílu v bodě b zprava, Vbc :